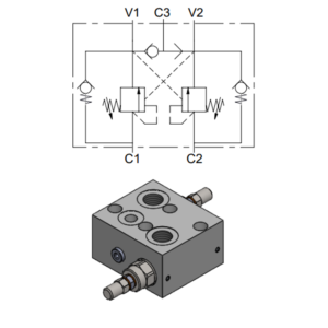
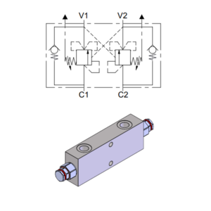
OVERCENTER VALVES IN-LINE VALVES OVERCENTER VALVES LHV-1 Single effectovercenter valve CATALOGUE LHV-1-SS Single effect overcenter valve S series CATALOGUE LHV-1-PSA Single effect overcenter valve, choked pilotage CATALOGUE LHV-1-PE Single effect overcenter valve, external pilotage CATALOGUE LHV-1-FL-3030 Single effect overcenter flangeable valve with 30X30 fixing holes CATALOGUE LHV-1-FL-2828 Single effect overcenter flangeable valve with 28X28 fixing holes CATALOGUE LHV-1-BR Single effect overcenter valve flangeable with banjo bolt CATALOGUE LHV-2 Double effect overcenter valve CATALOGUE LHV-2-S Double effect overcenter valve, compact series CATALOGUE LHV-2-SS Double effect overcenter valve, super compact series CATALOGUE LHV-2-S-AR Double effect overcenter valve, AR model CATALOGUE LHV-2-BR Double effect overcenter valve flangeable with banjo bolt CATALOGUE LHV-2-FL Flangeable double effect overcenter valve CATALOGUE LHV-208-N Double effect overcenter valve for closed center CATALOGUE LHV-2-OMP-OMR Double effect overcenter valve, OMP OMR flangeable CATALOGUE LHV-2-OMS Double effect overcenter valve, OMS flangeable CATALOGUE