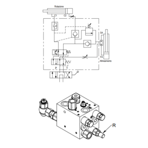
PLOUGH OVERTURNING VALVE IN-LINE VALVES PLOUGH OVERTURNING VALVE AFAP 60-80-D Double acting plough overturning valve CATALOGUE AFAP 50-90-D Double acting plough overturning valve CATALOGUE AFAP 70/80-SE-SV Double acting plough overturning valve CATALOGUE